在什么工作条件下适用于不同的启动模式?
【压缩机网】压缩机是一种高功耗的机械设备,因此在压缩机启动过程中可以采用不同的方法。一方面,它可以保护压缩机电机,延长使用寿命,另一方面,它也可以降低能耗。那么,在什么工作条件下适用于不同的启动模式呢?让我们看看!
压缩机的几种启动方式:
1)直接启动
2)星角启动
3)软启动模式
4)变频启动
5)其他

直接启动:
这种启动方式主要用于小功率空压机,启动电流一般为额定电流的7-8倍,启动瞬间对电网危害很大。
常用于相对较小的压缩机(制冷压缩机、空气压缩机等)。
一般由1接触器、1空开、1热继组成。

星角启动:
启动电流为额定电流的3-4倍,启动电流小于直接启动电流。
在星角切换过程中,额定电流4左右-尖峰电流的6倍。对电网和设备也有相当大的危害。
目前,由于成本原因,该方法广泛应用于压缩机的起停 然而,随着软启动器和变频器的广泛应用。软启动器和变频器(尤其是大功率压缩机)的应用越来越多。

软启动方式
采用软启动方式的优点:
减少维护:
在电机启动过程中,接触器通过大电流吸合断开,导致接触器寿命缩短;
通过可控硅SCR门极触发控制电路的控制,采用软启动器控制机组主电机,控制或限制电机启动电流。
提高系统可靠性:
传统的星角启动模式,通过元件组合实现过载、过载、相序保护,造成接线麻烦,故障率高,系统可靠性差;
软启动器本身集成了多种保护,接线少,系统可靠性强。

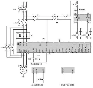
软启动模式:接线示意图

变频启动模式:
涵盖软启动模式的所有优点。与软启动模式相比,它具有更好的优点:
启动电流较小,1.5In以下,所需电网容量最小,启动最稳定。
可实现压缩机调速,根据实际负荷调节压缩机转速,实现节能。
与软启动器相比,保护更丰富,诊断更容易,人机界面更友好。
在不同的控制系统中实现更多的通信方式,方便集成。

离心式制冷机组变频控制-导叶和调速配合能量调节:
通过调节电机转速,优化压缩机导流叶片的位置,使机组在各种工况下,特别是部分负荷下,始终保持最佳效率。
当全负荷运行时,导叶完全打开。此时,电机速度逻辑完全由温差控制。当冷负荷降低时,电机转速降低,电机速度逻辑通过压缩机的压头和系统的最小允许转速控制,直到最小转速。

变频控制:空压机:
传统方法:储气罐压力控制压缩机卸载,压力为波浪型。
变频方法:变频器控制方法可根据储气罐压力变送器信号调整变频器输出,控制电机转速,实现排气压力稳定。

比较几种方法:

来源:方力空压机
